电动球阀

电动不锈钢高平台球阀Q941F-16P
产品简介
News Center
新闻中心产品特性:
1.流体阻力小,球阀是所有阀类中流体阻力较小的一种。即使是缩径球阀,其流体阻力也相当小。
2.止推轴轴承减小阀杆摩擦力矩,可使阀杆长期操作平衡灵活。
3.阀座密封性能好,采用聚四氟乙烯等材料制成的密封圈,结构易于密封,而且球阀的密封能力随着介质压力的增大而增大。
4.阀杆密封可靠,由于阀杆只作旋转运动而不做升降运动,阀杆的填料密封不易破坏,且密封能力随介质的压力增设而增大。
5.由于聚四氟乙烯等材料具有良好的自润滑性,与球体的摩擦损失小,球阀的使用寿命更长。
6.下装式阀杆和阀杆头部凸阶防止阀杆喷出,如火灾造成阀杆密封破坏,凸阶与阀体间还可形成金属接触,确保阀杆密封。
Q941F-16P电动法兰球阀主要零件材料:

Q941F-16P电动法兰球阀主要性能参数:

Q941F-16P电动法兰球阀执行标准:

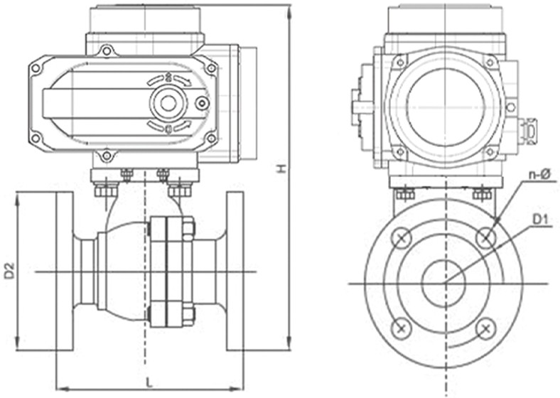
Q941F-16P电动法兰球阀结构图:

Q941F-16P电动法兰球阀主要外形连接尺寸:

在线留言