气动球阀

加氢气站高压球阀
产品简介
News Center
新闻中心中鼎阀业生产的加氢气站高压三通球阀采用不锈钢精铸阀体吗,耐压有16mpa,32mpa等规格,气动高压三通球阀分为内螺纹(G,NPT,PT等)、外螺纹、焊接式、法兰式等三种连接方式。气动高压三通球阀可采用智能控制与定位,与电气阀门定位器配套,输入4~20mADC信号及0.4~0.7MPa气源即可控制运转,实现对压力、流量、温度、液位等参数的调节。
公称通径DN(mm) | DN15-300 | |||||
公称压力 | PN(MPa) | 10.0 | 16.0 | 25.0 | 32.0 | 42.0 |
试验压力 | 强度试验 | 15.0 | 24.0 | 37.5 | 48.0 | 63.0 |
密封试验 | 11.0 | 17.6 | 27.5 | 35.2 | 46.2 | |
低压气密试验 | 0.5~0.7 | |||||
适用介质 | 水、油、蒸气、硝酸类(温度≤200℃)、醋酸类(温度≤200℃) | |||||
公称通径 DN(mm) | 15 | 20 | 25 | 32 | 40 | 50 | 65 | 80 | 100 | 125 | 150 | 200 |
阀体形式 | 法兰式、焊接式、螺纹式 | |||||||||||
公称压力 | PN10.0、16.0、25.0、32.0、36.0、42.0 MPa;ANSI 600、900、1500、2500LB | |||||||||||
连接形式 | 法兰式、焊接式、螺纹式(适用于2"以内) | |||||||||||
密封填料 | V型聚四氟乙烯填料、柔性石墨填料等 | |||||||||||
阀芯形式 | O型球体阀芯 | |||||||||||
流量特性 | 近似快开特性 | |||||||||||
动作范围 | 0~90°、0~360° | |||||||||||
泄露量Q | 按GB/T4213-92,小于额定KV0.01% | |||||||||||
配置执行机构 | GT、AT、ST、SR系列单双作用气动执行器 | |||||||||||
控制方式 | 开关两位控制能、4~20mA模拟量信号控制 | |||||||||||
零件名称 | 材料 | |||
阀体、阀盖 | A105锻钢 | 304锻钢 | 316锻钢 | 316L锻钢 |
球体 | 2Cr13+氮化处理 | 304 | 316 | 316L |
阀杆 | 2Cr13 | 304 | 316 | 316L |
阀座密封圈 | PTFE、碳素纤维+PTFE、对位聚苯 | |||
填料 | V型PTFE、柔性石墨 | |||

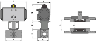
型号 | DN | LW | i | L | L1 | B | L2 | h1 | h2 | SW1 | SW2 | D | h3 | L3 | D1 | C |
G1/4 | 6 | 6 | 14 | 69 | 40 | 26 | 31.5 | 13.5 | 35 | 9 | 22 | 4.5 | 4.8 | 26 | 6 | 4 |
G3/8 | 10 | 10 | 14 | 72 | 42 | 32 | 31.5 | 16 | 40 | 9 | 27 | 5.3 | 5.8 | 31 | 8 | 4 |
G1/2 | 13 | 12 | 16 | 83 | 48 | 35 | 38.5 | 18 | 45 | 9 | 30 | 6.5 | 6 | 35 | 12 | 3 |
G3/4 | 20 | 20 | 18 | 93 | 60 | 50 | 48.5 | 23 | 58 | 12 | 41 | 6.5 | 6 | 44 | 15 | 5.5 |
G1 | 25 | 25 | 21 | 115 | 65 | 57 | 50.5 | 27.5 | 65 | 12 | 46 | 8.5 | 7 | 53.5 | 22 | 5 |
在线留言